Beratung zur Sicherung von Türen in Kindergärten mit der Türenwerk Kindergartenlösung.
Sicherung in Fluchtrichtung
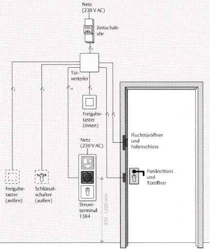
Zur Sicherung der Tür wird diese zusätzlich über ein elektrisches Verrieglungselement (Fluchttüröffner) zugehalten. Die Spannungsversorgung und Steuerung des Verrieglungselements erfolgt über das Fluchttürsteuerterminal. Über die Nottaste kann die Tür jederzeit auch von Kindern freigeschaltet werden. Dabei wird Alarm ausgelöst und optisch sowie akustisch angezeigt. Nach Ablauf der Alarmzeit ertönt ein fortwährendes Orientierungssignal, um den Notausgang z.B. auch bei starker Rauchentwicklung leichter zu finden.
Berechtigte Begehung
Die berechtigte Begehung von innen erfolgt über einen Freigabetaster, der in einer Höhe von ca. 1,80 m montiert ist und somit von Kindern nicht erreicht werden kann. Zur berechtigten Begehung der Tür von außen wird ebenfalls ein Freigabetaster installiert, der die Fluchttürsicherung freigibt und gleichzeitig den Türöffner am Hauptschloss ansteuert, so dass die Tür geöffnet werden kann. Dieser Taster wird über eine Zeitschaltuhr nur zu den Hol- und Bringzeiten aktiviert.Außerhalb dieser Zeiten erfolgt die Begehung über den äußeren Schlüsseltaster.
Überwachung der Türöffnungszeit
Während der Kurzzeitfreigabe über Taster bzw. Schlüsselschalter erfolgt eine Überwachung der Türöffnungszeit. Nach deren Ablauf ertönt ein Erinnnerungssignal (Voralarm). Wird dieses ignoriert, kommt es zum Türalarm, der bis Alarmrücksetztung bestehen bleibt. Somit wird verhindert, dass die Tür längere Zeit offen steht und Kinder das Gebäude unbemerkt verlassen. Dabei sind die Zeitfenster für Kurzzeitfreigabe, Voralarm und Türalarm individuell einstellbar. Wird die Tür vor Ablauf der Freigabezeit geschlossen, erfolgt die automatische Wiederverrieglung bzw. Sicherung der Tür.
Kopplung mit Brandmeldeanlage oder Einbruchmeldeanlage
Zur Anbindung einer Brandmeldeanlage/Einbruchmeldeanlage steht bei der Variante FT Plus mehrere Ein- und Ausgänge zur Verfügung.Bei Auslösung der BMA wird die Fluchttürsicherung notentriegelt und gleichzeitig ein Alarm ausgelöst. Durch Rücksetzten der BMA wird der Alarm automatisch quittiert und die Tür wieder Verriegelt.Bei Scharfschaltung der EMA wird die Fluchttürsicherung verriegelt und alle örtlichen Freigabemöglichkeiten ( z.B. über Taster/Schlüsseltaster o.ä. )deaktiviert. Die Funktion der Nottaste bleibt jedoch zu jeder Zeit aktiv. Zudem besteht die Möglichkeit, den Systemzustand „ver- und entriegelt“ der Fluchttürsicherung über einen Relaisausgang zu melden.


